About Me
I am a dedicated and enthusiastic PCB Designer eager to contribute my skills and knowledge in electronic design to innovative projects. Recently graduated with a Bachelor's degree in Electronic Communications Systems, I possess a solid foundation in PCB layout design principles, circuit analysis, and electronic components. My goal is to leverage my academic background and passion for electronics to create efficient and reliable PCB designs that meet industry standards.

 Education
2021-
2024
7.5 CGPA
 Bachelor of Science
 Electronic Communications Systems
2020-
2021
8.6 CGPA
mani higher secondary school
Skills & Proficiencies
CommunicationSkills:
Technical Skills
Designing Skills
PROJECTS

Lie Detector System - MATLAB & ARDUINO
Developed a Lie Detector System integrating Arduino for real-time physiological data acquisition and MATLAB Simulink for signal analysis. The system measures biometric responses such as heart rate variability and skin conductivity, correlating these with stress levels. While not detecting lies directly, it interprets physiological changes associated with deception. This project enhances understanding of biometric sensing technologies for behavioral analysis and stress detection applications, showcasing the integration of hardware and software to create a robust lie detection framework using accessible tools like Arduino and MATLAB Simulink.

Smart Street Light using
Ultrasonic sensor and LDR
In the Smart Street Light project using Ultrasonic sensor and LDR, I was able to implement sensors for immediate environment monitoring and body presence. The decision to complete the project using Arduino required me to learn sensor interfacing, data processing, and automated control systems by programming Arduino to respond to data from the Ultrasonic sensor and LDR. This project enlightened me on aspects such as the amount of light available in urban areas and how many people pass the particular area at night. It demonstrated how I could use my electronics knowledge in the real world while refining my comprehension of smart city innovations and eco-friendly cities.
Conducted Student Forums about
Recent trends in smart sensors


Led and organized a student forum discussing "Recent Trends in Smart Sensors," focusing on advancements and applications in sensor technology. Explored topics such as IoT integration, AI-driven sensors, and environmental monitoring applications. Facilitated discussions on emerging challenges and opportunities in the field, fostering knowledge exchange among peers

CERTIFICATIONS

PCB - Designing

Effective  E-Waste Management

ENERGY LITERACY
kLie Detector System - MATLAB & ARDUINO

"Developed in Arduino-based Lie Detector System measuring physiological responses like heart rate to infer honesty. Utilized sensors to monitor biometric data, processed in real-time to detect variations indicative of stress. This project explores practical applications of biometric technology in behavioral analysis and stress detection.
Trinh Hien
Department Head
"Lie Detector System in MATLAB Simulink, utilizing signal processing techniques to analyze raw physiological data. Implemented real-time visualizations and statistical summaries to enhance deception detection capabilities. This project showcases the application of Simulink in real-time biometric signal analysis for behavioral assessment and stress detection.

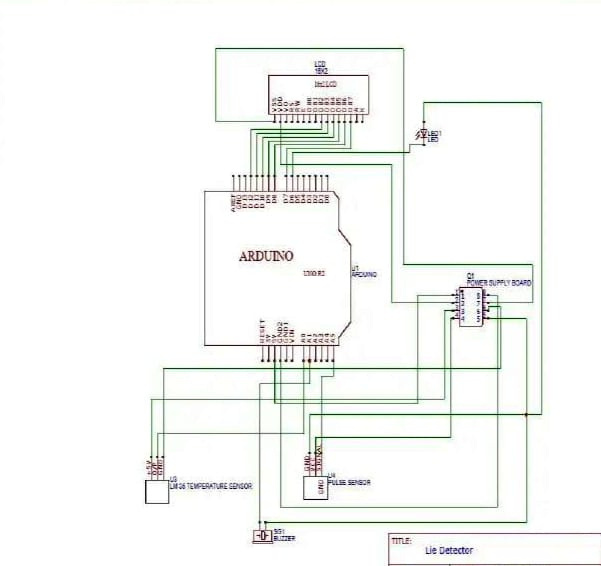
Schematics-
circuit diagram
Developed an Arduino-based Lie Detector System integrating a Pulse Sensor and Temperature Sensor to monitor physiological data. Real-time readings are displayed on an LCD, with a buzzer alerting deviations. This project explores practical applications of biometric sensors for deception detection and stress analysis.

Final Analysis in MATLAB Simulink for Lie Detector System
Utilized MATLAB Simulink to implement a Lie Detector System, plotting raw physiological signals, generating statistical summaries, and implementing real-time visualizations. The project integrates signal processing algorithms to analyze biometric data, providing insights into stress levels and facilitating behavioral analysis for deception detection.

Smart Street Light Using Ultrasonic Sensor and LDR


This project aims to create an energy-efficient street lighting system that automatically adjusts based on ambient light levels and presence detection. The Ultrasonic Sensor measures the presence of vehicles or pedestrians, while the LDR (Light Dependent Resistor) detects ambient light levels. When the sensors detect low light conditions and presence, the street light illuminates to ensure safety and visibility. Conversely, it dims or turns off during daylight or when no activity is detected, optimizing energy consumption. This smart solution enhances urban lighting efficiency and reduces electricity costs while promoting environmental sustainability.